电子技术、传感器技术及网络技术的发展促进了农业信息化水平的提高,以信息网络为中心的智慧农业、精准农业等一系列新的农业生产模式已成为当前研究的热点。通过大量遍布于农田、温室大棚等目标区域的传感器,实时采集诸如温度、湿度、光照、有害气体浓度、土壤水分及pH 值等信息并汇总到控制中心,由专家决策系统及时、准确地发现问题,根据需要控制相关设备进行调温、调光、浇灌、换气,实现农作物生长环境的智能化控制,从而有效提高农业生产效率和农产品质量。 传统的农业环境监测系统大多采用RS485 和现场总线布网,布线麻烦,安装、维护成本高且扩展不易。针对这一问题,本文提出了一种基于ZigBee模块的无线传感器网络解决方案,解决了上述传统农业环境监测组网过程中的一系列问题,提高了农业生产的智能化水平。
1 ZigBee 无线模块组网
ZigBee 即IEEE802.15.4,是一种介于无线标识和蓝牙之间的无线通信技术,具有低成本、低功耗、近距离、易应用等特点。它采用直接序列扩频技术,以2.4 GHz 为主要频段,在数千个微小传感器之间相互协调通信,通过无线电波以接力的方式传递数据,形成一个多跳的自组织网络系统。IEEE802.15.4 定义了三种设备类型:协调器、路由器和终端节点,这三者的硬件结构相同,通过软件配置不同的设备功能。1 个ZigBee数传模块网络由1 个协调器和若干个终端节点组成,最多支持65 535 个终端节点。 终端节点连接着各种类型的传感器,将采集到的数据无线发送到协调器,在空旷地带其传输距离可达上百米。若需扩大网络覆盖范围或增加传输距离,可在网络中增加路由器以实现信号的中继转发。按照不同的应用环境,ZigBee模块支持三种网络拓扑结构,即星型、网状和簇状,本设计中选用星型网络拓扑结构。
2 总体设计方案
ZigBee 无线模块传感器网络在智慧农业中的应用系统由无线监测网络和控制中心两部分组成,如图1 所示。

图1 系统总体设计方案
大量分布于监测区域的无线传感器网络终端节点负责对温度、湿度、有害气体浓度等农情信息进行ZigBee数据采集,并以无线方式发送给ZigBee数传模块网络协调器,协调器将接收到的数据通过网关经由以太网传输至控制中心,控制中心对数据进行存储、分析以及处理后,由专家决策系统发出反馈指令,以此构建出包含完整的、信息可控的采集—传输—处理—决策—反馈控制等一系列流程的应用系统。
3 系统硬件电路设计
3.1 ZigBee 无线模块
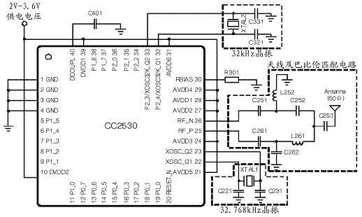
目前,常见的ZigBee 无线模块通信解决方案有两种,即ZigBee 芯片+MCU 解决方案和单芯片解决方案。为简化电路,设计中选择第二种方案。CC2530 是由TI 公司推出的第二代ZigBee 无线射频芯片,运行Zig-Bee2007 协议栈ZStack,工作电压范围为2.0~3.6 V。作为高度集成的解决方案,CC2530 集成了业界领先的RF(Radio Frequency)收发器以及增强型单周期8051 内核,内部Flash 容量可选,支持系统在线编程,传感器可通过单总线与CC2530 的I/O 端口连接,其典型应用电路如图2 所示。

图2 CC2530 的典型应用电路
3.2 网关设计
网关用于实现以太网和无线传感器网络之间协议、地址的转换和路由等功能,负责将协调器收集到的数据经以太网传输给控制中心,同时也用于将控制中心的指令发送到终端节点,工作任务繁杂,接口电路较为复杂且需要有完善的网络协议栈支持。因此,在硬件选型上采用以32 位微处理器AT91ARM9200 为核心的开发平台,设计中使用核心板(CPU+SDRAM+FLASH)加底板(外围接口电路)的硬件组成方案,要满足不同需求的应用,只需增加功能底板上的接口电路即可,如图3 所示。

图3 网关硬件结构图
4 系统软件设计
系统软件设计主要包括网关软件、ZigBee数传模块节点软件和上位机界面三个部分。其中,网关软件设计主要包括基于AT91ARM9200 微处理器的ARM-Linux 软件开发平台的建立以及数据串口收发程序的设计,其设计方法可参考文献。
4.1 ZigBee 节点软件设计
ZigBee数传模块节点软件设计使用IAR 集成开发环境在ZStack-CC2530-2.3.0协议栈基础上完成。
ZStack 协议栈是ZigBee 网络各层协议的集合,以函数的形式出现,并提供给用户应用层的应用程序编程接口(Application ProgrammingInterface,API),只需在应用层函数中加入传感器的读取函数就可实现数据的无线收发。协调器是ZigBee数传网络的核心,负责网络的建立与维护。上电初始化后,协调器会选择一个空闲信道建立并侦听网络,当有终端节点设备申请加入网络时,协调器将为该终端节点设备分配一个16 位的网络地址并允许其加入网络。组网结束后,协调器接收来自终端节点的数据,并通过RS232 接口传送给网关,软件设计流程如图4(a)所示。
终端节点传感器负责对环境信息进行ZigBee数据采集,并以无线方式发送给协调器,在上电初始化后,终端节点扫描信道并选择一个网络加入,成功入网后,进入休眠状态,由定时器按照一定的时间间隔将其唤醒上传数据到协调器,软件设计流程如图4(b)所示

(a)协调器 (b)终端节点
图4 ZigBee 节点软件设计流程
4.2 上位机界面设计
上位机软件采用Visual C++6.0 开发,用于显示农作物生产环境监测数据,当监测到的环境数据超出预设值范围后,可启动相应设备调节环境参数,界面如图5 所示。

图5 上位机监测软件界面
5 结语
ZigBee无线模块传感器网络与农业生产相结合,为精准农业、智慧农业等由概念走向应用提供了技术平台。通过ZigBee模块传感器网络对农作物生产环境信息进行ZigBee数据采集,及时准确地发现问题,减少人工操作的盲目性,指导农业生产,提高农产品质量及生产效益,使以人力为主的传统农业生产模式逐渐向以信息技术为中心的现代农业生产模式转变。该系统可以解决RS-485 和现场总线布网中区域广、布线难的问题,具有监测点设置灵活、移动性好、维护方便等优点,可在智慧农业中推广应用。