摘要: 0 引言 近些年来,我国在国民经济快速发展的同时,也伴随着水资源的过度开发和生态环境的严重破坏。水质监测作为水资源保护重要的工作基础和技术支撑,其准确性、及时性、可靠性被赋予更高的要求。目前国内主要有实验室与自动监测站两种水质监测方式,这两种监测方式均需交流电供电,设备沉重复杂,造价和维护成本极高,使其在河流、湖泊等水域中使用受到限制。此外,国内流域众多,地形复杂,水质监测覆盖率低,现场采样能力不...
阅读全文
0 引言
当前制造企业生产过程执行管理系统(Manufacturing Exe.cution svstem,简称MES)已开始大量的应用,但对于底层基础数据的采集,因受到生产现场条件限制,一直还是一个比较难解决的问题。为此,本文主要针对信息监控网络和节点进行分析和设计,完善底层ZigBee数据采集。
在实际的生产中,大部分生产企业为离散型制造方式,生产的产品种类多、工序多,甚至在同一厂区内作业场地分散,大量生产过程信息难以记录。对数据的实时收集,以及生产质量的监控,生产进度的管控造成较大困难。对于离散型生产过程的数据的采集问题,已有一些相关的研究。其主要使用的技术为RFID技术,即在每个产品上贴有源或无源标签,通过标签阅读器读取标签信息,从而获得生产状态信息。与条码信息相比,缺点就是标签成本过高。同时对于信息量较大的采集和传输,显然也不太适合,如视频或图片信息采集传输等。
针对离散型生产过程中的信息分散的特点。对于信息监控,适合选择无线网络方式对数据进行采集。在目前无线技术中,应用较多的无线方式为:无线WIFI网、RFID网、无线ZigBee网络、蓝牙、红外等。其中无线WIFI和ZigBee网络应用较多。
无线WIFI组网技术是目前在短距离通信,大流量数据的传际应用中具有较明显的通信传输速度优势,但功耗较大,使用时间短,在作为移动终端网络中应用受到一定的限制,灵活性有所降低。而利用ZigBee无线模块组成无线传感器网络,可实现大规模组网,且节点具备自动组网功能。ZigBee是基IEEE802.15.4发展而来的,其特点为:(1)低功耗;(2)节点扩充能力强。ZigBee协议在2.4GHz频段中。适用于通信数据量小、数据传输速率较低以及分布范围较小,成本低的场合。
综合上述分析,本文通过分析生产过程中需要监控的信息,设计两种网络进行生产过程信息采集,对于高速大流量信息的采集使用WIFI网络,对于低速分散信息的采集使用ZigBee无线模块网络。并基于ZigBee数传模块,设计监控节点硬件。
最后在电缆连接器产品生产中进行了组网测试。
1 监控系统网络
1.1监控系统网络和功能描述在MES系统中,需要对各项生产要素信息进行采集,这样才能做到MES系统中的信息准确和实时性。如前所分析,在离散生产过程信息监控系统中设计两种无线网络:无线WIFI网络(见图1)和无线ZigBee数传网络(见图2)。如图1所示,无线WIFI网可进行高速批量的生产过程信息数据的采集。组网由无线终端,无线AP和无线路由及以太网构成。

图1 无线WIFI网络图
而在ZigBee模块组网中,对设备对象定义了三种,分别为协调器(Coordinator),路由器(Router)以及终端设备(End Device)。组网方式分为三种拓扑结构,分别为星型结构(Star),簇树结构(Cluster Tree),网状结构(MESH)阁。在实际的生产环节中,生产过程信息监控节点,均具备执行路由和终端设备功能。其网络组成可以采用网状结构方式,采用这种结构能扩大网络范围,在实际应用中相比星型结构和簇树结构,网状结构更灵活。网状结构通过自组织和路由的功能,提供多条通讯路径。有效减少信息传输时延,提高数据通讯网的可靠性。考虑整个网络传输速度,最高为250Kbps,为了提高数据的传输效率,在协调节点与计算机通讯之间采用CAN总线通讯方式。
CAN总线在短距离(小于40m)传输通信速率可为lMbps,相比RS232通讯效率较高。因此在本设计中组网结构如图2所示。

图2 信息传输zlgBee网络图
1.2监控网络节点功能分析
生产过程中的监控信息主要为生产要素(人、机、料、法、环)的实时信息。对人的信息分析为:人员的工作状态、工位、工作时间等信息。设备信息主要有设备实时运行的状态,设备的工况等,同时需要对物料(料)、工艺规则(法)、工作环境(环)等信息进行ZigBee数据采集,如表1。

表1 监控节点功能分析
2 ZigBee监控节点硬件设计
对表l的节点功能分析可知,要实现对生产过程中各要素的ZigBee数据采集。监控节点硬件功能的应具备下列功能如图3所示。

图3 节点功能设计图
针对上述硬件功能分析,硬件主要设计为电源、ZigBee数传模块、刷卡射频读写,ZigBee数据采集,传感电路设计。
在较复杂的硬件功能上采用独立CPU管理方式,这样提高了工作效率。ZigBee数传模块电路设计,采用TI公司的cc2530作为核心器件。该器件可以实现集射频收发于一体的无线传感器网络。外围器件较为简单,主要包括晶振和射频匹配网络等电阻电容电感器件。天线采用外置高增益SMA杆状天线,增益达到6dBi,接收灵敏度相对较高。通过对CC2530编写ZigBee组网程序,使得监控节点上电后可进行自动组网,部分节点失效后,网络也具备自我修复能力,每个节点均能收发数据,组网后可以在任意节点之间进行数据通信。
对于员工IC卡刷卡电路设计。采用非接触式的射频卡。IC卡电路由IC芯片、感应天线组成,封装在一个标准的PVC卡片内,芯片及天线无外露部分。IC卡片在短距离内(一般为5-10mm)靠近读写电路表面,通过无线电波的传递来完成数据的读写。读卡电路天线由电路板上线路构成,组成单一模块电路。对于读卡器的设计,以NXP公司的MF RC522为核心芯片设计电路,作为单一模块设计读卡电路,获得数据后利用串口与管理CPU通信。
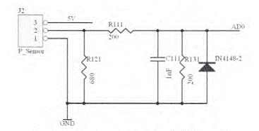
ZigBee数据采集电路设计。设计了一种0~5v和4~20mA共用电路。其原理主要根据电压等于电流与电阻之乘积(V=I×R)。
在ZigBee数据采集电路端并上二极管和电容进行降噪声处理,提高了电路的可靠性。电路如图4所示。

图4 电压、电流传感器共用电路
在外围传感器选择中选择人体热释红外传感器LHi878,温湿度传感器DHT22,构成了整个监控节点。考虑监控节点安装位置不影响其他设备工作,体积尽可能小。故在电路布局上进行多层形式,整体结构分为上下两层,结构紧凑,体积小巧(6cm×6cm),便于安装,功能齐全,使用比较方便,也易于维护,并且成本低廉。硬件电路如图5所示。
、
图5 6×6(cm)双层紧凑布局实物图
3 ZigBee监控节点软设计
3.1软件功能描述依据ZigBee无线模块网络结构,其数据信息流程如图6。

图6 系统数据信息流程图
各ZigBee数据采集节点,对工序中的生产信息进行实时监测,同时将数据通过ZigBee无线模块传输到协调节点,利用CAN总线传输到终端计算机,再进入MES系统的服务器数据库里。
监控节点的软件流程如图7所示。系统上电后首先读取存储在EEPROM中各项工作参数,初始化系统,在128液晶上显示相关参数信息。同时传感器开始采集工作环境中的工作参数,如温湿度,设备气压等,经过预处理电路后送给CPU处理。员工刷卡后将卡号ID通过ZigBee发送到服务器,在数据库中查找到该员工信息并将员工工号送回。节点收到工号在液晶上显示。

图7 监控节点软件流程图
员工刷卡后将卡号ID通过ZigBee发送到服务器,在数据库中查找到该员工信息,从而将员工工号送回,节点收到工号后在液晶上显示。同时节点监测设备的作业次数以记录员工的工作量,并将这些数据上报到服务器中的数据库中。节点能接受上位机的指令并加以处理,此外再通过键盘更改部分参数,更改设备状态,产品质量等信息。热释红外人体检测传感器监视本工位上是否有人员工作,若无人员则节点进入休眠状态
4 网络性能测试与分析
根据上述设计,在实际的电缆连接器产品生产中采用ZigBee数传模块节点进行数据采集。试验15个节点组网测试系统性能。在点对点数据传输中,数据传输可以到110m。终端节点向协调节点传输数据,两数据包间的时间间隔最小值为18ms,丢包率在5%以下,并且随着传输距离的增大,传输速率降低,丢包率增大。协调节点向终端节点传输数据,两数据包之间的时间间隔最小值在500ms,丢包率在5%以下,并且随着传输距离的增大丢包率增大。
从测试的性能看,整个网络数据的传递满足现场实际的需求,达到设计目的。使用无线通讯方式的缺点为容易受到现场工作环境的强电电磁场的影响。在实时性要求更高的场合可采用有线方式进行监控。
5 结论
对于离散型生产过程信息监控,本文提出了利用两种无线网络采集数据,即基于WIFI和ZigBee模块的无线网络相结合的组网方式。设计了ZigBee数据采集监控网络节点,并在电缆连接器产品生产中对网络及节点进行测试。ZigBee数传模块的网络数据传输速度和距离均达到电缆连机器生产信息采集要求。测试结果表明,该测试节点能满足一般性生产工序的信息采集,符合生产的使用性能。
摘要: 0 引言 桥梁建设和维护是国家基础设施的重要组成部分,在国家建设和人民生活中发挥着重要作用。桥梁结构的安全性与耐久性受到人们高度重视,在现代桥梁工程领域中有关桥梁的健康监测、安全评估以及寿命预测等已经成为当前桥梁工程界和民用工程领域一个新的热点技术问题。 传统的实现监测的方式是基于有线的传感器数据采集。但这种监测方式有许多重要缺陷,最主要的原因是传感器设备必须通过电缆连接到中心数据采集单元。其一,...
阅读全文
引言
当代社会,城市路灯照明/景观照明建设不仅带给人们光明与视觉享受,而且成为展现城市魅力的重要窗口,但是在带来明亮、绚丽色彩的同时也带来了诸多的困扰,比如管理、费用、用电、电缆被盗等问题。基于ZigBee无线模块技术和LED光源的路灯系统,是一种自动化成度高、高效节能的城市照明系统。LED光源是一种高效能、环保、安全、耐用的新型照明光源,ZigBee无线路灯控制器可以对路灯照明系统进行科学、高效的控制和资源整合,合理调整照明时间,不仅可以节省照明系统的用电量,而且可以延长照明灯具的使用寿命,减少日常维护的开支。
1 系统方案与设计
系统由三大部分构成:控制中心,ZigBee无线路灯控制器节点和控制中心通信的转发节点,固定在路灯杆上的终端节点。无线路灯远程控制系统结构如图1所示。
图1 无线路灯远程控制系统结构
控制中心的监控系统由计算机与无线收发模块构成,主要负责建立和管理ZigBee无线路灯控制器网络,显示路灯状况信息和发送控制命令,协调整个路灯系统的运作。ZigBee无线路灯控制器包括LED电源驱动,为大功率LED提供电力,并能根据微控制器的控制信号控制LED的工作情况。光敏传感器、温度传感器,直接将LED工作状况传输给控制模块;功率检测模块检测LED功率情况、供电故障并向上报警;无线模块负责传输数据。将本系统模型与无线传感器网络模型进行对比,不难发现,安置在路灯杆上的ZigBee无线路灯控制器节点即为无线传感器网络中的终端节点(RFD),控制中心监控系统就是协调器(COORD),实现COORD与RFD之间无线通信的为路由转发节点(ROUTER)。远程网络使用ZigBee与GRPS混合组成的网络。子网和中央控制中心使用GPRS网络来传输数据。下面具体介绍终端节点硬件电路设计方案。
1.1 LED节点驱动控制设计
LED节点驱动方案使用TI公司的UCC28810,它是一款恒流非隔离式电源,适用于街道、停车场或区域范围照明等高亮度LED照明应用。该设计可将通用电源(90--265 VRMS)转换成0.9 A恒流源,能够驱动100 W LED负载。UCC28810电路如图2所示。
图2 UCC28810电路图
此电路使用双级设计,第一级是UCC28810的转换模的PWM调光。此方案的优势在于,使用了高效的专用驱式电路,将AC电源转换成36 V的DC电源。第二级也采用UCC28811的转换模式,将恒压源转换为0.9 A恒流源。电路中使用的TI公司的UCC28810和UCC28811芯片是通用照明电源控制器,具有PFC(功率因数校正)功能,确保设计方案满足各种标准设定的谐波电流或功率因数要求。并且UCC28810/11控制器提供如电流峰值限制、复位定时器、过压保护(OVP)和使能等特性,UCC28810/11控制器引脚如表1所列。
表1 UCC28810/1 1控制器引脚
第一级在低负荷状态下运行,升压跟随器可跟踪AC输入的峰值电压,实现更高转换效率。第二级将PFC输出电压转换为0.9 A的固定电流,以驱动LED负载。第二级不仅可接受PWM调光输入(从外部或从板级电路均可),而且还可相应开启或关闭调光,从而实现LED电流的PWM调光。由于使用了高效的驱动IC,电源转化效率更高了,在低负荷线路(10w line)运行状态下,升压跟随器可跟踪AC输入的峰值电压,在输入电压为±15%的变动时,仍能保持输出电流变动稳定在±10%内。
1.2状态检测与报警
状态报警与检测主要包括温度感测和感光检测两部分内容。
1.2.1 温度感测
由于大功率白光LED照明和驱动器发热量都很大,所以需要一个温度感测传感器,实时监控路灯的温度,并向控制中心反映。如果温度超过警戒温度,则ZigBee无线路灯控制器进入报警模式,将自动关闭路灯,并向控制器发送报警命令。
温度传感器使用DSl8820,DSl8820是DALLAS公司生产的一款数字温度传感器。其特点有:独特的一线接口,只需要一个端口即可通信;电路无需外部元件,可用数据总线供电,也可外接VCC;工作电压范围广,为3.0~5.5 V,无需备用电源;测量温度范围为55~+125℃,在10~+85℃范围内,精度为±0.5℃。DSl8820具有工作电路简单、测温精度高、连接方便、占用口线少等优点,应用范围包括恒温控制、工业系统、消费电子产品温度计及任何热敏感系统。
1.2.2 感光检测系统
ZigBee无线路灯控制器使用光敏电阻传感器对周围环境的光亮度进行ZigBee数据采集,当傍晚周围环境还有余光时,ZigBee无线路灯控制器将路灯开启为单双灯模式;当晚上天全黑了以后,将路灯全部打开;当凌晨4点左右出现晨光时,将路灯调节成半功率工作模式。在阴天和沙尘暴天气,道路能见度低,路灯也可自动打开,保证道路正常照明。
本设计使用光敏三极管作为感光元件测量周围环境的亮度,处理器实时将周围环境的亮度通过ZigBee无线模块反馈给控制中心,由控制中心决定是否打开GND路灯。电路图如图3所示。
图3 光敏三极管电路图
1.3 ZigBee无线模块设计
目前TI公司已经先后推出了支持ZigBee协议的2.4 GHz的射频收发器CC2420和ZigBee的片上系统解决方案CC2430,以及第二代射频收发器CC2520芯片。CC2480无线性能出色,功耗很低。CC2480电路图如图4所示。
图4 CC2480/ZiqBee模块电路图
CC2480采用CMOS工艺,工作电流仅为27 mA。当系统处于空闲时,CC2480能自动进入休眠状态,并能实现休眠与主动模式的超短时间转换。晶振XTALl选用32 MHz,晶振XTAL2选用32.768 kHz。32.768 kHz的晶振用于睡眠模式,在此期间提供时序,可降低电流、减少功耗,特别适合对功耗和电池寿命要求严格的应用场合。CC2480模块可以直接与上位机之间通过串口通信,本系统选用异步串口模式。
1.4微控制器电路设计
MSP430是TI公司开发的一类具有16位总线的带FLASH的单片机,由于其性价比和集成度高,受到广大技术开发人员的青睐。它采用16位的总线,外设和内存统一编址,寻址范围可达64 K,还可以外扩存储器,具有统一的中断管理,微控制器具体连接电路如图5所示。
图5 控制模块MSP430电路图
MSP430单片机的P3.4、P3.5端口设置成串口0(MSART0)的收发口,与CC2480的异步串口相连,它们之间实现串口通信。单片机发送数据给CC2480,CC2480无线发送出去;CC2480接收到无线数据后,也透明传送给单片机。
2软件流程设计
在本系统中,ZigBee协议可以应用于所有的节点,因为ZigBee协议具有很多的实用函数,例如设备离开或者加入网络,创建一个新的网络,父节点和子节点的搜索,网络信标帧的发送,数据包的发送和接收等。系统工作的过程中,协调器主要进行无线传感器网络的创建,负责接收ZigBee无线路灯控制器发送回来的ZigBee数据采集路灯信息,依据路灯的状况将控制信号发送给路灯节点。路由器节点处在监控状态,负责获取其他节点发送来的信息并判断是不是需要进行转发,与此同时把自身路灯的信息传送给协调器;接收协调器的控制信号来控制路灯的工作状态。终端节点功能是最简单的,只需要负责随时接收协调器发送的控制命令,并向上一级返回路灯当前的状态。
系统投入运行时,首先对CC2480进行初始化,协调器运行初始化协议,同时打开中断。此后软件程序创建新网络,一旦网络能够成功创建,就对相应的网络协调器物理地址、当前建立网络的ID号以及频道号进行显示。协调器软件流程图如图6所示。
图6 协调器程序流程图
3路灯控制模式
根据不同上位机的不同控制命令,路灯节点有如下几种不同的控制模式。
3.1 单双灯开启模式
这个模式有两种情况,编号是奇数的灯开启或者编号是偶数的灯开启。当路灯节点接收到单双灯开启命令以后,路灯会根据自身的ID编号,选择开启还是关闭。这种模式应用于傍晚能见度较高,或者阴雨天、沙尘暴等恶劣天气下城市能见度不佳时。一般是单双灯轮流开启关闭,保证LED路灯工作时间大致相同,以延长其寿命。
3.2全功率开启模式
当ZigBee无线路灯控制器节点接收到全功率开启模式以后,路灯开始工作,并会以全功率打开,亮度最大。这种模式一般在晚上人车流量大和节假日时开启。
3.3半功率开启模式
当ZigBee无线路灯控制器节点接收到全功率开启模式以后,路灯开始工作,但不会以全功率模式工作,而是通过LED驱动模块的PWM调光机制,将LED的功率控制在额定值的一半,起到节约电力的作用。
3.4随机选择关闭模式
这种模式是为了节约电力和延长路灯寿命。在人流不大的道路上发给路灯随机关闭模式命令,路灯节点接收命令后,以一定概率(如20%)自行熄灭30min,由于路灯是随机熄灭的,不会影响到整体的照明情况。
3.5功率异常报警模式
这种模式不是上位机发出的命令。
当路灯节点检测到功率故障的时候(如LED二极管短路、功率过小或过大),路灯将自行切断照明电源,并向上位机报警。
结语
本文主要分析了ZigBee模块组网技术,设计了一种ZigBee无线路灯控制器系统,实现路灯信息的ZigBee数据采集和控制。事实证明本系统网络经一次性布置之后,可以长期可靠运行。路灯节点的数量、位置可随时变更,使得调控路灯变得更加方便、科学。无线LED路灯远程控制系统为解决问题提供一个良好平台。
0 引言
目前我国工农业生产对温湿度、露点、压力等多参数实时监测与控制需求越来越大,尤其是电力、半导体和微电子、冶金、石化、化纤等工艺过程及食品、仓储等领域。
国外温湿度和压力测控系统发展迅速,在智能化、自适应、参数自整定等方面成果显著。国内成熟产品主要以“点位”控制为主,只适应一般温湿度系统测控,而适应于较高控制场合的智能化、自适应测控系统国内技术还不成熟,现有监测系统大多为有线监测系统,而对利用无线网络和信息融合等技术的无线监测技术研究较少。所以结合无线Zigbee模块技术,开发一种多参数、多点分布式和无线传输监测系统十分必要。
1 系统方案设计
无线温湿度压力检测仪主要实现各通道数据的巡回检测、处理、计算、显示,还要实现和数据接收器之间的数据传输。该无线温湿度压力检测仪采用单片全校准温湿度传感器SHT75 作为湿度敏感元件,以MS5541C 压力传感器作为压力测量元件,以超低功耗单片机MSP430F448为核心进行数据处理, 实现了对温度、湿度、露点温度、压力进行ZigBee数据采集和高速高精度测量。

图1 系统结构
2 系统硬件结构
(1) 电源部分设计
电源供电模块主要功能是给其他各个模块供电以及在无市电的情况下用备用5 号电池进行供电。本无线温湿度压力检测仪主要是采用开关电源芯片LM2576,给单片机和MSP430F448无线模块供电。

图2 电源电路
设计的电路如图2 所示,由LM2576 构成的基本稳压电路仅需四个外围器件。
(2) 温湿度传感器和处理器接口设计
本无线温湿度压力检测仪温湿度测量部分主要是采用SHT75 温湿度传感器测量气体温度和湿度。SHT75 采用两线制接口和处理器连接,在温湿度测量中,利用单片机的PB1 作为数据时钟信号线,用PB0 控制数字输入输出端口。 SH75温湿度传感器和处理器接口图如图3 所示。

图3 SHT75 和处理器接口图
(3) 压力传感器和处理器接口设计
本无线温湿度压力检测仪压力检测部分主要是采用MS5541C 压力传感器测量气体压力。MS5541C 采用3 线的SPI接口可以和所有的微处理器进行通讯。在压力测量中,利用单片机的PB3 来虚拟时钟线,用PB5 控制数字输入端口,用PB6控制数字输出端口,用PB7 作为数据时钟信号线,另外为传感器提供3V 和5V 的供电电压,同时在DIN、MCLK 和SCLK 的端口处外接下拉电阻,见图4。

图4 MS5541 压力测量模块接口图
(4) ZigBee无线模块
多参数检测系统具有微型化、集成化、高精度、低功耗设计要求,因此选择集发射和接收一体的单片收发芯片CC2530作为系统无线收发芯片。该芯片是TI公司推出的低功耗2.4G ZigBee无线模块芯片,工作电压为直流2.0-3.7V,CC2530 结合了RF 收发器功能,业界标准的增强型8051 CPU,系统具有可编程闪存,8 kB RAM 等功能。CC2530 有四种不同的闪存版本:CC2530F32/64/128/256,分别具有32/64/128/256kB 的闪存。CC2530 具有不同的运行模式,使得它能适应超低功耗要求的系统。运行模式之间的转换时间短,进一步确保了低能源消耗。
3 系统软件设计
本文所设计的无线温湿度压力检测仪软件主要完成如下功能:用于参数的初始化以及数据采集器各接口的初始化, 主要是MSP43OF448 时钟频率的选择、定时器的初始化、串口的SPI 初始化、MS5541和SHT75 的初始化、ZigBee模块的初始化;温湿度及压力数据采集;在温度没有出现异常状况时是每隔10 分钟向数据接收器发送一次数据,然后接收数据接收器发送来的新的命令并进行相应的ZigBee数据采集处理。
结合前述各种硬件电路及功能,程序设计主要包括以下几个模块:主程序设计、温湿度测量程序设计、压力测量程序设计、LCD 显示程序设计、报警程序设计和无线通信程序设计等。
4 系统测试
本仪器采用遍历地址算法,每个ZigBee无线模块有唯一的地址,使用高精度温湿度传感器和压力传感器,ZigBee数据采集后的数据使用滑动平滑滤波和一阶滞后滤波的复合滤波算法,大大提高了系统精度,经过测试,系统的主要技术指标为:
⑴ 露点测量范围: -60℃ -+20℃
⑵ 露点测量精度:≤ ±1 ℃(-40℃~+ 20℃)
⑶ 分辨率:0.1℃
⑷ 响应时间:≤ 5 分钟/ 点
⑸ 湿度测量精度:±3.0% RH
⑹ 温度测量精度:±0.4 ℃ ( 在25℃ )
⑺ 压力测量精度:1.2 mbar⑻ 检验方式:自校准功能
5 结束语
本仪器利用ZigBee无线模块传输数据,对温度、湿度、压力进行ZigBee数据采集,解决了国产露点压力测试仪精度低、稳定性差、校准难度大和测量参数单一的缺点,具有很高的精度和稳定性,具有强大的测量功能和数据处理功能,并且价位不高,具有很广阔的应用前景。
摘要: 我国是农业大国, 传统农业在国际市场上的优势主要依赖于丰富的自然资源和低廉的劳动力成本。随着物联网等高新技术的发展,我国传统农业正在加快向现代农业转型,而智慧农业将成为现代农业未来发展的趋势。所谓“智慧农业”就是充分应用现代信息技术成果,集成应用计算机与网络技术、物联网技术、音视频技术、3S 技术、ZigBee无线模块通信技术及专家智慧与知识,实现农业可视化远程诊断、远程控制、灾变预警等智能管理。...
阅读全文
摘要: 1 道路照明与节能的关系 城市道路智能照明与节能是一个不可分割的共同体,是以科学的城市道路照明专项规划为依据, 以高效节能的城市道路智能照明控制系统为基础, 以先进科学的现代照明产品技术为手段, 从而达到节约能源、保护环境和促进国民经济可持续发展的目的。 随着社会的快速发展和生态城市的快速建设, 照明设施的管理难度越来越大, 城市对道路智能照明设施的管理要求也...
阅读全文
0 引言
监控系统在智能农场的功能发挥中起到了至关重要的作用,但有线监控系统有着很大的局限性。加上农场内地形情况、环境因素十分复杂,一些土壤及环境参数,比如:土壤湿度、温度,空气湿度、温度,氮磷钾含量、光照度等,不能及时有效的进行监测,造成农作物不能及时的得到有效灌溉,同时也会造成水分或者肥料的浪费。因此,本文就应对智能农场监测的实际情况,综合运用ZigBee模块、计算机控制技术和GPRS 技术,提出一个远程监控技术。能够进行参数实时监测、作物灌溉控制、日常管理等功能。
1 GPRS 和ZigBee 通信技术的介绍
1.1 WLAN 技术
WLAN 即无线局域网,在局域网中数据依靠无线电磁波传输,但其传输距离较短一般只有几十米左右。
虽然无线局域网仅适合近距离的传输,但其依然有很多弊端。第一,无线技术的设备设计和软件开发很复杂;第二,在网络中的传感器节点RF 模块花费很高;最后,此技术有很大的耗电量。因此,为了保护环境节能减排,系统一般都会使用太阳能电池,而无线局域网的能耗导致太阳能电池无法应用。
1.2蓝牙技术
蓝牙技术即Bluetooth,同样也是一种短距离的无线电传输技术,其传输距离与无线局域网差不多,在十米左右。无法进行很远距离的数据传输。可以再移动电话、平板电脑、笔记本等设备之间进行信息交换,蓝牙技术的出现使得手机、平板等移动终端能够进行很方便的信息传递。
蓝牙技术的应用领域十分广泛,通常要在无线传感网中配置很多的传感器节点,以保证测量结果的准确性。
但蓝牙技术的网络终端设备需要有线,因此就会严重限制此技术在低速控制系统中的运用。除此之外,在布置网络时,还必须考虑到成本的问题,蓝牙技术的成本很高,而且井下监控网规模很大。其必将被其他技术取代。
1.3 ZigBee 技术
ZigBee 技术是一种新兴的低传输速率、短距离的无线传输技术,此技术具有其他无线传输技术没有的优点。首先也是最重要的是,ZigBee 技术的网络协议比较简单,而且其具有远远超越无线局域网和蓝牙技术的实用性。ZigBee 技术还具有很多和其他传输技术不同的特点:
1)传输速率低。
2)能耗低,正常工作所需能量少:ZigBee数传节点承载的数据功率较低,而且在信息传递结束后,ZigBee 数传模块会自动进入睡眠状态,可以大幅度的减少能耗,其需要的能量大约只有正常工作的千分之一,非常符合农场工作的实际情况,一般来说,网络系统中大部分时间节点都是处在睡眠的状态,处于待命的状态。其ZigBee 无线模块正常运行的时间小于总时间的百分之一,所以,能够达到很好的节能减排效果。
3)网络技术协议简单,进一步大大降低了成本。
1.4 GPRS 技术
通用分组无线服务技术简称为GPRS。其是移动电话用户使用的一项移动数据业务,此技术在数据传输方式上和其他网络传输方式不同,其数据的传输是将信息先封包然后在传输。GPRS 技术和目前比较流行的传输技术相比,其最大的优点就是能够实现“永远在线”,无需拨号连接,更加节约时间,只有在使用时才会存在数据传输而占用资源。下面简述GPRS 技术的优势。
1)相比其他无线网络技术其资源利用率有很大程度的提高,此技术采用的是技术工作分组交换模式,只有用户在使用时才会占用系统资源,这就使得一个无线信道就可以让多个用户共同使用,大大提高了信道利用率。GPRS 的资费是依据,消耗多少流量,付多少钱。因此,使用GPRS 成本很低,持续连接很久,也许就需要几分钱的费用。
2)传输速率得到极大提高,GPRS 技术其输出速率能够达到115kpbs。这就意味着人们可以通过手机等设备浏览网页信息。
3)分组交换式接入网络,能够即时连接,网页的预览更加流畅快捷。
4)支持X.25 协议和IP 协议,使其广泛的兼容各种设备,能够使其在世界范围内相互连接。
总而言之,由于农场的特殊情况,在对无线技术的选择上必须严格进行,要求性能可靠、稳定性强、维修简单、功率低、能耗小、成本低。表1 是对各种无线技术的性能比较。

表 1 无线技术的性能比较
2 远程监控系统设计
总方案在智能农场远程控制系统中,无线传感节点主要分为两类,就是移动式的ZigBee数据采集节点和固定式的ZigBee数据采集节点,其中固定节点一般布设安装在农场的各个控制点及通过定位和测量后确定的监控点,移动ZigBee数据采集节点一般根据需要,比如根据种植的作物不同增加或减少控制、监控点,根据值守人员的需要随身携带移动ZigBee数据采集设备等而设置。因此,为了保证网络的稳定性、可靠性,就必须根据农场的实际情况来制定ZigBee 无线模块安装的距离和大小,同时在比较特殊的地点也要安装,使农场的控制区域内可以被ZigBee 无线模块完全覆盖。
针对农场内ZigBee数据采集节点数目繁多,分布范围大等特点,必须要采用GPRS 技术和ZigBee无线模块传感器网络技术相结合的形式进行数据传输。依据节点的设计模式,将数据传输分为两部分。首先,是从节点传输到主节点的数据,就是利用ZigBee 数传模块把一个区域里的数据集中到一个中心点上;第二部分是将主节点的数据传递到监控中心,由于具有很远的距离,故采用GPRS 技术,将网络信息由串口通讯的手段传输到地面控制室,这样能够很好的实现数据远程传递,不但可以从很大程度上减少数据传输成本,而且方便快捷。下图1

图1 数据传输过程
整个数据是传输过程。整个控制系统分为三大部分无线通信系统、智能监控终端、地面监控中心。
其中智能监控终端由控制器模块、报警器、ZigBee无线模块、未处理器模块组成,各个监控点用于环境监测,主要监测土壤湿度温度、空气湿度温度和光照度、氮磷钾浓度等。要完成信息的ZigBee数据采集和传出工作,还必须及时对控制中心发出的控制信息做出反应。其中通信系主要负责数据命令的传输,监控终端使用GPRS模块进入GPRS 网络,然后接入因特网。整个系统的核心是监控系统,其要完成对整个农场远程监控的控制,对收到的数据进行处理分析,并做出相关指令控制系统进行自动应对措施。以及对系统数据进行备份。
3 系统硬件设计
3.1 分控中心硬件设计
该农场远程监控系统通过ZigBee数据采集节点收集的农田参数信息,并发送数据到中心节点。可以通过多布置子节点的方法来解决,多采集点广泛分布的需要,解决传输距离的限制和布线困难等问题。继电器模块适合终端节点在一起的,使用了先进的上位单片机和GPRS 技术,实现了对农场内各种环境量的实时分析,能够及时处理存在的问题。通过ZigBee数据采集模块把采集到的数据信息处理分析,在将分析结果发送到ZigBee 主节点上,实现计算机串口与主节点的实时通讯,这样保证了数据的可靠性和实时性,给用户带来了很大的方便。
3.2 传感器网络节点设计
一般来说传统的传感器节点是由处理器、能量供应模块、ZigBee模块和ZigBee 传感器模块组成,其能够很准确的对环境各参数进行收集和初步处理,在遇到临界值或特殊情况时能够进行及时报警,能够接收由控制中心发出的数据请求命令,把所收集到的数据发送到监控中心。
对于此系统的处理芯片和无线射频模块的设计方案中,重要采用的是CC2530 为核心的构造无线传感器网络节点,这样的设计不但可以满足系统的无线通信、人员定位和数据采集等功能,而且能耗低、电路简单、体积小,从很大程度上减少了构建成本。
3.3 GPRS 终端设计
从农场内的监控数据采集到数据传输,都是通过GPRS 数据传输终端盒ZigBee 无线传感器模块相连接而达到的。GPRS 还可以将终端内置处理器进行协议封装和处理,在将其发送到GPRS 网络,通过串行的方式进行和地面的监控通信,在监控中心接收数据信息后,经过分析处理,把有效的数据保存到中心数据库中。
4 系统软件的设计
数据的采集处理、无线收发相关程序和路由器的算法等是系统软件设计的主要部分,传感器网络主要包括3 个部分:
1)节点数据的采集和传递;
2)主节点数据收集;
3)将主节点的数据发送到数据中心。
一般情况下我们采用c 语言进行开发。通常来说数据中心会采用轮询的方式,对系统所有从节点的监控状态数据采集和保存,即时显示在操作平台上,在用户不需要时可以随时退出程序,终止操作。要想开始监控只需要重新启动就行了。
5 结论
综上所述,对于农场的远程监控系统设计要结合ZigBee 和GPRS 两种技术,从灵活组网和低成本的角度出发,实现农场内土壤、环境参数的实时ZigBee数据采集监控和预警。
此系统具有非常显著的优点,能够为现代智能农场和旅游观光型农场的日常管理带来新的发展模式。
目前生产系统的物流配送大部分仍处于较落后的状态,使用单位有物料需求时通过电话或邮件与配送单位进行沟通,这种方式存在沟通不及时和缺少数据记录的缺陷。在出现缺料问题时造成无法追究问题的责任单位,容易出现推脱等问题,对管理和考核造成极大的不便。
1 系统总体设计方案
系统的硬件包括:电脑、PIC 单片机控制系统、ZigBee无线模块、警告指示灯,硬件连接图如图1。

图1 系统硬件连接图
2 系统硬件设计
2.1 微控制器选择
单片机控制系统中使用的芯片为PIC18F442,PIC18F442 系列控制芯片是一种带16K 字节闪烁可编程可擦只读存储器的低电压,高性能CMOS8 位微处理器。
该器件采用低功耗高速闪/EEPROM 技术,全静态设计,宽工作电压范围(2.0V~5.5V)。增强型典型闪存程序存储器可擦写100,000 次,闪存/ 数据EEPROM 保存期大于40 年,并能够通过软件控制下可自行再编程,可以通过两引脚进行在线调试(In-Circuit Debug,ICD)。
2.2 ZigBee无线模块选择
系统选用的ZigBee模块为即联科技JL13 ZigBee无线模块,JL13 ZigBee无线模块工作电压为3.3V,Zigbee 网络基于IEEE802.15.4 国际标准、上层协议为ZigBee 协议栈,具有低功耗,低速率,高可靠性,网络路由功能强大的特点。
其内核芯片JL13 ZigBee无线模块是一个真正的单芯片解决方案,遵从ZigBee 规范和IEEE 802.15.4 标准,它由一个含有基带modem 的射频收发器、硬连线的MAC 和内嵌8051内核的微控制器(带有内部Flash 存储器)组成。
2.3 外围电路设计
单片机PIC18F442 的TX、RX 端与ZICM2410 的TX、RX 直接相连,同时与电脑的DB9 端口进行连接,形成三方通讯的连接电路。同时在控制系统中设计5V和3.3V 的稳压电路,为单片机与无线模块工作供电。在单片机中选取两个未被使用的I/O 口作为物料呼叫的触发输入和警示装置的输出,因为一般的警示益的驱动电流较大,需在单片机输出端口处外接一个ULN2003 模块进行电流放大再与警示装置进行连接,保证系统工作正常。JL13 ZigBee无线模块的P0_0、P0_1、P0_2,三个引脚分别连接三个发光二极管,三个二极管分别下拉一个1K的电阻接地,用于观察模块工作状态,若模块正常发送数据,P0_0 处于高电平状态,若模块正常接收数据P0_1处于高电平状态,若模块发生通讯故障,P0_2 处于高电平状态。
3 系统控制逻辑

图2 系统控制逻辑流程图
4 系统调试
首先要测试各器件本身是否能正常工作,画出元器件的引脚图,然后再将元器件按照原理图排列并连接好所有导线,并用万用表测试连接导线是否能够正常导通,确保单片机能正常工作和硬件电路连接正确后开始进行电路调试,调试过程先按设计电路逐个模块进行测试,确保所有模块正常工作,上电之前必须先测试电源正负极是否存在短接情况。
首先是软件调试,在Proteus 仿真平台上进行硬件仿真来调试各功能元件是否能正常运行,模块之间能否正常通讯,程序是否正确执行。
其次是实物调试,测试线路确定无误时连接开关电源调试。JL13 ZigBee模块在出厂时需要进行一定设置才能更好的使用,把硬件与电脑的DB9 串口进行连接,使用串口调试助手进行模块初始化设置,主要更改技术参数为“本地网络地址”、“目的网络地址”、“信道号”等的设置,所有从机的目的网络地址都必须设置为电脑端模块的本地网络地址,所有模块的本地网络地址不允许出现重复的现象,为避免其他系统的无线模块之间存在数据干扰,模块工作的信道号必须在工作范围内唯一,传输数据波特率、数据位、校验位、停止位等信息必须与单片机程序中使用的数据信息匹配,避免造成通讯协议不同而造成数据错误。除了数据协议,还需要设置模块的通讯传输速率以及模块发送功率,在使用时根据实际情况进行功率的设置,JL13 ZigBee无线模块在实际环境中,有普通障碍的实际通讯距离为50-100 米,如由于需求或其他原因造成两个通讯点之间的距离大于模块工作距离,可通过在中间增加模块进行信号中转,同时把模块的设备类型改为“路由设备”。在调试过程中很容易出现抖动干扰等现象,需在程序中添加各种抗干扰语句,增加程序可靠性。
5 总结设计
采用单片机PIC18F442 与 ZigBee模块作为核心,实现物料呼叫系统的无线通讯。随着社会的发展,对无线技术的要求越来越高,减少现场布线的优势越来越明显,而单片机的低廉价格也为系统的推广和研发降低了经济负担,整个系统具有较好的应用优势与开发价值。
0 引言
ZigBee数传技术是一种应用于短距离、低传输数据速率下的新一代无线通信技术。它具有功耗低、数据传输可靠、网络容量大,兼容性、安全性强,实现成本低等特点,而被广泛应用于监控领域。通用分组无线业务(GPRS)是一种基于GSM系统的无线分组交换技术,具有充分利用已有网络、资源利用率高、始终在线、传输速率高、资费合理等特点。
GPRS通信模块可应用于远程数据监测系统、远程控制系统、无线定位系统等。近年来,随着无线传感器网络技术的迅猛发展以及人们对环境保护和环境监督提出的更高要求,越来越多的企事业单位研究环境监测系统的无线传感器网络技术。
本文采用无线传感器网络技术,使用铅尘检测装置检测空气中的铅含量,借助于ZigBee无线模块无线通信技术,传输和收集局部区域多点铅含量数据,利用移动通信网络GPRS,将局部区域的检测数据实时传输至监测中心,构建了城市空气铅尘含量的无线实时监测系统。
1 系统概述
基于ZigBee与GPRS的无线铅尘监测系统是通过高精度的铅尘传感器,采集空气中的有害物质铅,自动分析其含量;利用高速存储器将这些数据存储起来,再利用ZigBee模块通信技术将采集的数据传到一个集中控制点;通过数据汇总分析,形成高质量的监测数据,结合一定的有害物质指标控制数据自动报警;使系统在无人值守的条件下实时监控,逐步替代人工取样的检测方式。
2 系统分析
基于ZigBee与GPRS的无线铅尘监测系统实现了区域铅尘含量ZigBee数据采集、数据传输、监控中心数据管理与分析等功能,改进了Pro部分协议,增强了通信的稳定性,延长了ZigBee无线模块的在网时间。该系统结构见图1。

图1 基于ZigBee的铅尘无线监测系统总体结构图
其中区域ZigBee数据采集模块负责小范围区域的铅含量检测、数据汇总,而ZigBee模块将区域无线数据传到监控中心,同时也负责监控中心向区域传送数据。监控中心接收所有区域数据采集模块发送的数据,并能向它们发送一定的控制指令,同时还向用户提供一定的铅尘信息;它能够在无人值守情况下可靠运行,在污染严重的情况下告警。
2.1 区域数据采集模块
区域ZigBee数据采集模块主要实现检测有害物质分布较多的子区域有害物质含量的功能。本系统用于整个城市的铅尘检测,铅尘污染通常分布在城市的部分区域(例如大型冶炼厂附近)。根据污染企业分布,将城市划分为若干个污染区域,在每一个区域内设置若干个ZigBee数据采集模块;每个模块检测本区域的铅尘含量,并收集、存储相关数据。
区域数据采集模块包括大量的铅尘传感器以及ZigBee无线模块,它的稳定运行对系统来说是至关重要的,其结构如图2所示。

图2 区域采集模块结构图
图2中网状纹路的节点是由ZigBee无线模块和铅尘传感器构成的;铅尘传感器负责检测节点附近区域的铅尘,形成一定的数据量,保证稳定、不失真地传输数据;而ZigBee无线模块则负责将铅尘传感器采集的数据传送到其他地方。通过在厂区以及厂区周边布设若干个这样的节点,能够监测厂区及其附近的环境。因铅尘传感器的检测范围非常有限,为了提高检测精度,通常在小范围内布设多个铅尘传感器。
ZigBee数传模块的最远通信距离只有70 m,为了延长ZigBee数传模块通信距离,在采集节点的边缘区域再布设一个只负责传送数据而不负责采集数据的ZigBee数传模块。对某个小范围采集区域而言,该节点通常只设置一个起到数据路由作用的路由节点,图2中的空心节点就是路由节点。为了延长ZigBee传送距离,可以再布设更多的路由节点,不断增强它的传送能力,图2中虚线连接的节点便是这样的节点,通过布设这些节点,基本上满足了厂区及其周边环境铅尘的检测需求。图2中虚线连接的节点不仅起到延长传输距离的作用,而且保证了信号传输的可靠性。这里采用网状结构,将路由节点两两连接,任意两个路由节点之间都存在通路,只要采集区域中的路由节点能够接入路由网络,那么,它必能通过路由网络将数据传到目的地。只要有少数几个路由节点正常工作,路由网络便可保证采集数据的正常传输。另外,采用网状结构也给数据传输提供了若干条通道,避免出现单路传输拥塞、数据丢失等现象,也提高了通信线路的使用率和分时复用率,在一定程度上提高了通信效率和检测频率。
节点数据经过采集节点采集、路由节点传输,汇集到区域数据采集模块的核心位置即协调节点,图2中的黑色实心节点为协调节点。协调节点汇集了区域各采集节点的所有数据,经简单处理后,发至监控中心。协调节点数据处理能力是有限的,只对数据进行一定的裁剪、装帧发送。协调节点直接与外部网络连接,其他节点只在本区域模块中使用,和外部没有联系,因此,协调节点是与其他模块连接的关键。它协调其他节点,为其他节点提供安全管理、网络建立等服务。
2.2数据传输模块
ZigBee数传模块仅适于检测厂区及其周边环境的铅尘。为了满足远距离通信需求,需要加入数据传输模块。数据传输模块由GPRS模块以及GPRS网络构成。GPRS网络是中国移动公司提供的无线通信网络,本系统仅使用了它的网络传输功能。只有通过GPRS网络,区域采集数据才能高速、安全地传到监控中心。如果没有该网络,GPRS无线模块将无法工作。
GPRS模块是该系统的关键部件,区域数据在协调节点汇总后,通过GPRS模块转发至监控中心。GPRS模块转发的是某个区域的所有检测数据,这些数据只是单个区域数据的汇总,如果将这样的数据直接发至监控中心,则监控中心无法区分数据来自哪个区域模块。为了区分不同区域的数据,在发往监控中心之前,对数据进行汇总、装帧处理。
在数据帧中添加帧头、帧尾、帧长和区域标识,以便区分数据来自哪个区域。考虑数据传输的可靠性,还可在数据帧中加入帧序、时间戳等,以便在数据传输出现延迟时重传数据。
GPRS无线模块可以采用短消息方式和数据链路方式传输数据。短消息方式又分为传统的短信和承载在GPRS网络之上的彩信业务两种方法,为了保证实时传输数据,本文采用彩信传输方法。单次采集的数据可以一次发送完毕,这样既可消除因多次发送数据出现的误码现象,降低数据重传的概率,也便于监控中心对区域一次数据的处理。
2.3监控中心模块
监控中心模块是系统的集中控制中心,它包括数据服务器以及由路由器、集线器构建的功能子网,它的功能结构如图3所示。

图3 监控中心结构图
监控中心模块主要负责收集各个区域的数据,并分析、处理收集的数据,同时,也能设置通信模块参数、区域ZigBee模块及铅尘传感器的参数。数据采集器负责收集各区域监测数据,并将收集的数据存储到SQL SERVER数据库中。它与GPRS模块直接相连,数据采集频率较高,为了保证数据采集的实时性,它只具有数据采集及存储功能。
就数据采集而言,数据采集程序需要专门设置一个线程,以单独实现采集功能;采集频率要控制在秒级以下,防止因数据采集频率过低而丢失数据。对于采集器程序来说,除了采集线程、存储线程外,不要开辟过多的线程,以免影响采集线程。
另外,在系统的起初设计阶段,监控中心只需要一个GPRS模块,所有的区域数据通过这个GPRS模块传输数据;这将造成数据采集的负担,容易引起数据丢失。为了消除这种现象,可以在监控中心增加多个GPRS模块,将GPRS模块划分为若干个子模块,实际上增加的GPRS模块只是逻辑上的模块,监控中心的一个GPRS模块对应一个逻辑模块。这样可以减轻单个GPRS模块的压力,提高数据采集效率。
该部分设计可由图4说明。监控中心数据采集程序控制m个GPRS无线通信模块,这m个模块负责传输采集点区域模块采集的数据。每一个区域模块包含若干个采集区域,例如,区域模块1包含区域A、B、C,模块2包含区域D、E、F;与之对应的是监控中心模块1负责与区域模块1通信,即区域A、B、C的数据发到模块1。这样划分,监测的26个区域分别由监控中心的m个模块负责,分区域传输数据,提高了传输效率。但要注意,划分监测区域后,发送数据时,数据帧格式需要附加逻辑模块标识,以保证各模块数据之间的协调性。在采集监测区域数据后,数据采集器可采用原始数据存储方式存储这些数据。

图4 通信模块绮构图
另外,由于监控中心要向监控区域下发控制指令,而传输下发指令仍然要使用GPRS模块,需要该程序具有下发指令功能。可将控制指令分发在数据库中,附加相应的标识,让采集程序判断是否需要下发指令数据,如果需要下发则自动下发。数据采集器主要负责检测数据的采集、控制指令的自动下发,而数据分析控制器主要负责采集数据的分析以及控制指令的生成。数据分析主要是实时显示区域数据,以便直观地看到污染数据,当实时数据超过指标控制阈值时,立即告警。另外,它还可汇总实时数据,绘出污染的阶段曲线。数据采集器、数据分析控制器的稳定运行有赖于数据服务器。数据服务器主要存放系统使用的数据库。该数据库主要包含实时数据、统计数据以及控制指令。另外,也需要重视数据库的日常管理,特别是告警的使用。
为了能够远程地使用该系统,监控中心还设置了其他计算机及网络互联设备,所有接入监控中心服务器的计算机都可以浏览监控信息,并发送一定的控制指令,但对于数据浏览以及控制指令下发需要严格控制,需要设计用户权限,以便合理控制。
3 系统实现
本系统主要分硬件、软件两部分。硬件部分采用铅尘传感器及ZigBee无线模块,主要完成接口电路设计、ZigBee协议修改任务和实现通信模块串口控制、铅尘数据监测等功能;软件部分实现区域、城市数据采集及分拣、数据分析及显示等功能。铅尘数据监测及节电控制选用韩国SYHITECH的DSM501粉尘传感器。该款传感器采用粒子计数原理,输出PWM脉宽调制信号,可灵敏地检测直径1um以上的粒子,如香烟、灰尘、霉菌、孢子等。
铅尘数据监测依赖于被检信号,本系统使用传感器提供的PWM信号,通过检测PWM信号获得铅尘含量数据。
通过检测占空比即检测正负脉冲时间,实现PWM信号检测功能。考虑到节电效果,需要在指定时间开启/关闭传感器,在开启传感器时间段内测量占空比。占空比测量过程见图5,等待正跳变到来时开始记录时间,直到负跳变到来时停止记录正脉冲时间;等下一个正跳变到来时停止记录单周期时间。用正脉冲时间除以单周期时间即得占空比。

图5 铅尘监测流程图
一般一个周期为30 S,为了增强测量的准确性,测量多个周期的占空比。将检测数据装帧并发至服务器端的协调器,数据帧格式及说明见表1。

表1 数据帧格式及数据说明
系统通过配置ZigBee协议,实现硬件节电控制。ZigBee协议中主要设置预编译选项POWER_SAVING以及将f8wConfig.cfg中的RFD_RCVC_ALWAYS_ON设置为FALSE。另外,需要设置预编译NV_RESTORE,让终端能够记录网络状态,防止断网再次重新搜索。系统通过ZigBee的IO口继电器实现传感器的通断电功能。
3.1 区域数据采集及分拣
通过与串口连接的多个协调器采集区域数据,传感器终端通过路由或直接将数据通过ZigBee协议传至协调器,协调器通过串口将数据传至计算机。
区域数据采集模块首先为每个串口开辟线程,轮询访问串口,读缓冲;如果有数据则按照字节接收数据,按照上报数据帧格式处理数据。解析格式正确的数据帧,并存至数据库中。详细流程如图6所示。

图6 区域数据采集及分拣流程图
3.2 区域数据分析及显示
该部分实现了实时显示监测数据及告警功能,也能查询历史数据的图形界面,可以灵活配置相关图形。实时监测界面如图7所示。

图7 区域数据分析及显不
3.3 区域数据上报及城市数据接收与分拣
该部分通信利用GPRS网络,相应成本较高,只选择上报告警数据。将多个告警数据依次装帧,在不突破短信限制的前提下,尽量装入同一帧,以减少通信成本。主要技术有手机初始化配置、短信接收提醒、短信接收、短信发送等。手机初始化设置包括移动信号检测、短信模式设置、存储位置设置、短信中心号码设置、新短信体型模式设置等。数据接收部分需要开辟线程,接收新短信提醒。如有新短信到达,开始读短信,并解析短信数据帧,将数据正确入库
。
图8 GPRS接收端界面
数据上报部分同样需要开辟线程,定时判断是否有新的告警数据。如有,将告警数据装帧,并通过短信发至服务端。相关程序截图如图8所示。城市数据分析及显示与区域数据分析及显示部分相似,在此不再赘述。
4 结束语
本文利用传感器技术与ZigBee无线模块技术,研究了无线监测系统。采用ZigBee数传模块和网状拓扑布设传感器节点,实现了某高污染企业厂区及其周边环境的ZigBee数传采集监测功能;利用GPRS技术,综合无线监测了多个企业厂区及其周边环境,实现城区环境污染的无线监测功能;采用实时远程监控,提高了工作效率,节省了人力资源;采用无线方式,增强了数据传输的可靠性;采用ZigBee无线模块通信方式,扩大了监控范围,降低了能耗,节约了能源。
本系统可实现无线远程监测高污染企业及其周边环境的功能,为环保部门治理环境提供了技术支持。使用结果表明,系统运行稳定、操作简便,提高了铅尘监测工作效率,具有重要的推广应用价值。